瑞福電力產品列表ruifu product lists
- 南京羅斯蒙特氣體分析儀+
- 南京意大利艾麥克ARMEK泵+
- 南京進口計量泵+
- 南京勝瑞蘭計量泵
- 南京米頓羅計量泵
- 南京耐普頓計量泵
- 南京阿科杰特計量泵
- 南京塞若計量泵sera
- 南京德國JESCO杰斯克計量泵
- 南京水補給設備+
- 南京化學加藥裝置+
- 南京水汽集中取樣裝置+
- 南京磁性翻板液位計+
- 南京單層膜式柔性浮頂+
- 南京羅斯蒙特在線水分析儀表+
- 南京奧弗All-Flo隔膜泵+
- 南京Aalborg質量流量控制器+
- 南京Graver濾芯+
- 南京樹脂捕捉器+
- 南京酸霧吸收器+
- 南京酸堿噴射器+
- 南京樹脂裝卸小車+
- 南京安全噴淋淋浴器+
- 南京濾水帽+
- 南京六角蜂窩斜管填料+
- 南京臺灣協磁ASSOMA AMX系列磁力驅動無軸封泵+
- 南京西納SNNA閥門+
- 南京迪芬巴赫壓濾機+
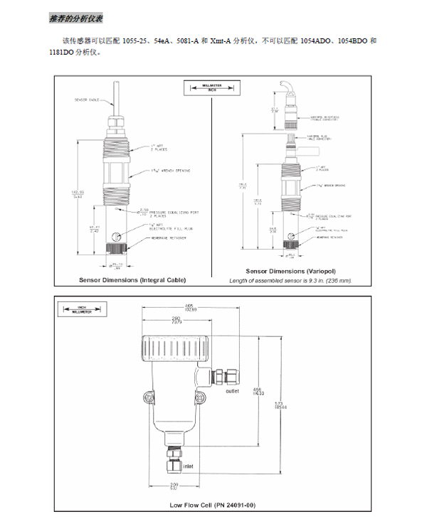
羅斯蒙特微量溶解氧傳感器主要應用在電廠蒸汽冷凝超純水和蒸汽鍋爐給水中ppb級微量溶解氧的檢測。




相關標簽 /about tags
相關產品 /about products


